scheibenwischer gehen nicht
Moderatoren: moderator1, moderator3, moderator2
-
- Bayer
- Beiträge: 48
- Registriert: 07 Jun 2009 19:24
- Postcode: 39646
- Country: Germany
- Modell: Probe 1 GT
- Erstzulassung: 1993
- FIN: N - 1992
Re: scheibenwischer gehen nicht
vielen dank.... doch leider gibs den relaikasten nich....die liegen da lose umher
mfg tom
mfg tom
- chiana
- Probe-Bayer
- Beiträge: 342
- Registriert: 13 Nov 2009 00:11
- Postcode: 50735
- Country: Germany
- Euer Wunschtitel: Probine
- Modell: Probe 1 GT
- Erstzulassung: 01-1991
- FIN: M - 1991
- Wohnort: Köln
Re: scheibenwischer gehen nicht
Wenn ich das richtig im Kopf habe ist das Scheibenwischer Intervall Relais das größte von allen dort hinten.
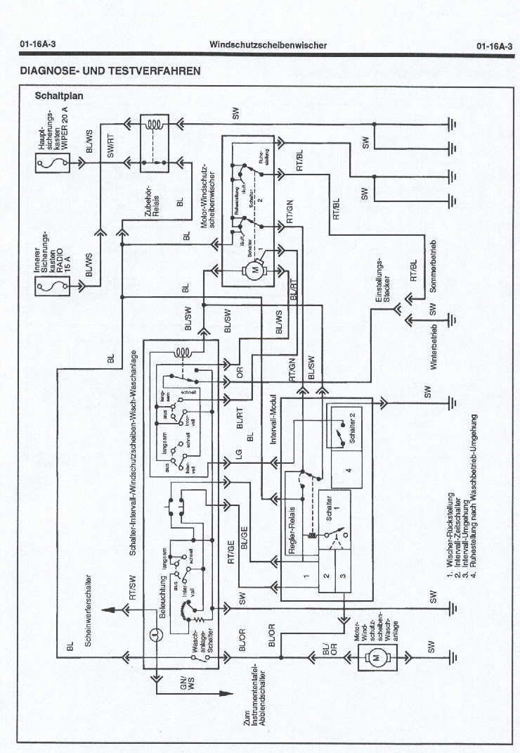
Ich pack Dir auch mal den Schaltplan der Verkabelung dazu. Evtl. kannst Du es anhand der Kabelfarben verfolgen.
Ich pack Dir auch mal den Schaltplan der Verkabelung dazu. Evtl. kannst Du es anhand der Kabelfarben verfolgen.
-
- Bayer
- Beiträge: 48
- Registriert: 07 Jun 2009 19:24
- Postcode: 39646
- Country: Germany
- Modell: Probe 1 GT
- Erstzulassung: 1993
- FIN: N - 1992
Re: scheibenwischer gehen nicht
der hinweis ist gut!!werde ma schauen gehen.pläne habe ich alle schon bekommen!!
mfg tom

- Probe 1 Fan
- Probe-Bayer
- Beiträge: 2988
- Registriert: 30 Jan 2008 15:57
- Postcode: 63512
- Country: Germany
- Euer Wunschtitel: Nobody is Perfect
- Modell: Probe 1 GT
- Erstzulassung: 1993
- FIN: N - 1992
- Wohnort: 635 ganz nah an Unterfranken dran
Re: scheibenwischer gehen nicht
Wenn Dir das alles nicht weiterhilft suche dir ne schöne Adernfarbe, Kabelfarbe aus die zum Relais führt.
MfG. Peter
fährst Du schon oder schraubst Du noch

Probe 1 - Bauj. 92 - Erstz. 93 - LPG - Autogas - 165.000 km
fährst Du schon oder schraubst Du noch



Probe 1 - Bauj. 92 - Erstz. 93 - LPG - Autogas - 165.000 km
-
- Bayer
- Beiträge: 48
- Registriert: 07 Jun 2009 19:24
- Postcode: 39646
- Country: Germany
- Modell: Probe 1 GT
- Erstzulassung: 1993
- FIN: N - 1992
Re: scheibenwischer gehen nicht



-
- Bayer
- Beiträge: 48
- Registriert: 07 Jun 2009 19:24
- Postcode: 39646
- Country: Germany
- Modell: Probe 1 GT
- Erstzulassung: 1993
- FIN: N - 1992
Re: scheibenwischer gehen nicht
hallo ich nochma....
bin nach dem ganzen Krimi mit dem scheibenwischerwirrwar endlich mal ne runde gefahren.... nu der schock
er drückt oel aus der ventildeckeldichtung... pcv-ventil war defekt, war auseinandergebrochen, dat innenleben war wech,hab es notdürftig zusammen geklebt aber eben ohne innenleben! habe neues pcv-ventil bereits bestellt. kann es sein das dadurch das oel rausdrückt, oda kommt da noch ne böse überraschung?
mfg der deprimierte tom


mfg der deprimierte tom
-
- Probe-Bayer
- Beiträge: 427
- Registriert: 27 Nov 2007 10:42
- Postcode: 71254
- Country: Germany
- Modell: Probe 1 GT
- Erstzulassung: 10/92
Re: scheibenwischer gehen nicht
Um Himmels willen, lass den Probe stehen bis du ein funktionierendes PCV Ventil hast.
So saugst du das pure Öl an!!! Das Ventil schließt (wenn es richtig funktioniert) sobald überdruck herrscht.
Sollte das nicht der Fall sein oder es eben ganz fehlen (so wie bei dir) dann drückt das Öl (und nicht wenig) in die Ansaugbrücke...
Da kannste deinem Motor gleich lebewohl wünschen! Es gab hier schon einige Motorschäden, weil nicht bemerkt wurde das das PCV hops gegeangen ist
Zur VDD, mach ne neue rein und gut ist (an den 4 Ecken noch ordentlich Dichtmasse draufschmieren, sonst tropfst da immer leicht, steh auch so im Werkstattbuch)
Also nicht mehr fahren bis das Ventil da ist!!!!
Greets Zink
So saugst du das pure Öl an!!! Das Ventil schließt (wenn es richtig funktioniert) sobald überdruck herrscht.
Sollte das nicht der Fall sein oder es eben ganz fehlen (so wie bei dir) dann drückt das Öl (und nicht wenig) in die Ansaugbrücke...
Da kannste deinem Motor gleich lebewohl wünschen! Es gab hier schon einige Motorschäden, weil nicht bemerkt wurde das das PCV hops gegeangen ist

Zur VDD, mach ne neue rein und gut ist (an den 4 Ecken noch ordentlich Dichtmasse draufschmieren, sonst tropfst da immer leicht, steh auch so im Werkstattbuch)
Also nicht mehr fahren bis das Ventil da ist!!!!
Greets Zink
-
- Bayer
- Beiträge: 48
- Registriert: 07 Jun 2009 19:24
- Postcode: 39646
- Country: Germany
- Modell: Probe 1 GT
- Erstzulassung: 1993
- FIN: N - 1992
Re: scheibenwischer gehen nicht
hatte so15km gefahren und gleich in die garasche gebracht und stehen lassen.dort ist mir das öl beim vd aufgefallen,habe schon ne neue bestellt und is morgen da ! mfg tom 

- Big Mike
- Probe-Bayer
- Beiträge: 995
- Registriert: 21 Nov 2008 15:34
- Postcode: 54587
- Country: Germany
- Euer Wunschtitel: Michael Knight
- Modell: Probe 1 GT
- Erstzulassung: 24.03.92
- FIN: N - 1992
- Wohnort: Lissendorf
- Kontaktdaten:
Re: scheibenwischer gehen nicht
... bei mir war das PCV-Ventil auch Anfang des Jahres zerbröselt ((hab's bei Ford neu gekauft) ) und ich hab die Teile IN dem Ventildeckel HINTER dem Blech wiedergefunden, also würde ich dir vorschlagen gut nach dem "Innenleben" vom Alten Ventil zu gucken denn das eine Teil ist aus metal und das könnte so einiges kaputt machen wenn es wehrend der Fahrt da reinfällt.
Beste Grüße
Michael
Michael
-
- Bayer
- Beiträge: 48
- Registriert: 07 Jun 2009 19:24
- Postcode: 39646
- Country: Germany
- Modell: Probe 1 GT
- Erstzulassung: 1993
- FIN: N - 1992
Re: scheibenwischer gehen nicht
ne ne muß rausgefallen sein is auserhalb auseinander gebrochen!!!! aber wenn ich morgen die vdd mache schau ich noch gleich ma nach. (der neue schrauber)
tom

-
- Bayer
- Beiträge: 48
- Registriert: 07 Jun 2009 19:24
- Postcode: 39646
- Country: Germany
- Modell: Probe 1 GT
- Erstzulassung: 1993
- FIN: N - 1992
Re: scheibenwischer gehen nicht
so leute
habe wieder alles dran und drin und läuft danck eurer hilfe!!!!!! und montag ma zum tüv
hoffe er kommt durch
werde mich dannn noch ma melden. mfg tom der SCHRAUBER 



