zündaussetzer,und lief auf drei töppen

Wo spinnt der GT, hext der GL und staunt der LX?

Moderatoren: moderator1, moderator3, moderator2

Benutzeravatar
PROBETECH87
Probe-Bayer
Beiträge: 1545
Registriert: 19 Mai 2009 23:39
Postcode: 6128
Country: Germany
Euer Wunschtitel: Bemmschmierer
Modell: Probe 1 GT
Erstzulassung: 1990
FIN: L - 1990
Wohnort: halle saale

Re: zündaussetzer,und lief auf drei töppen

Beitrag von PROBETECH87 » 16 Dez 2010 12:41

naja gut ok,aber solange ich noch nicht weiß wo sich der kraftstoffdruck magnetventil ist.
kann ich auch keine fehler beheben.
und meine eigentliche frage war ja,wo sich das befindet,wie mann das nacher löscht den fc,und alles weis ich ja auch,nur solange der fehler nicht behoben wurde,bringt es ja nichts eine große tour zu fahren.
Bild

Benutzeravatar
Probe 1 Fan
Probe-Bayer
Beiträge: 2988
Registriert: 30 Jan 2008 15:57
Postcode: 63512
Country: Germany
Euer Wunschtitel: Nobody is Perfect
Modell: Probe 1 GT
Erstzulassung: 1993
FIN: N - 1992
Wohnort: 635 ganz nah an Unterfranken dran

Re: zündaussetzer,und lief auf drei töppen

Beitrag von Probe 1 Fan » 16 Dez 2010 14:01

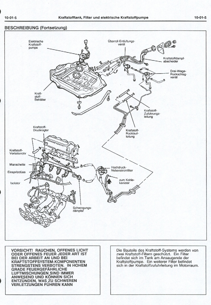
Ich würde mal sagen da braucht einer ein WHB
Dateianhänge
10-01-5.JPG
MfG. Peter

fährst Du schon oder schraubst Du noch :-)

:schrauben: :gummi:

Probe 1 - Bauj. 92 - Erstz. 93 - LPG - Autogas - 165.000 km

Benutzeravatar
PROBETECH87
Probe-Bayer
Beiträge: 1545
Registriert: 19 Mai 2009 23:39
Postcode: 6128
Country: Germany
Euer Wunschtitel: Bemmschmierer
Modell: Probe 1 GT
Erstzulassung: 1990
FIN: L - 1990
Wohnort: halle saale

Re: zündaussetzer,und lief auf drei töppen

Beitrag von PROBETECH87 » 16 Dez 2010 14:15

das habe ich auch in mein whb gefunne.
bloß ich habe das kraftstoff druckregler ventil nicht gefunden,aber jetzt weiß ich es wo es ist.
wie chiana sagte an der spritzwand,under dem sensor,für die ladedruckanzeige.
ich hatte es nach anweisung von t-bird ausgebaut.und an strom gehalten klacken tut es,und wenn kein saft dran ist kann ich reinpusten,und wenn saft dran ist geht es zu.
underdruckschläuchre habe ich nochmal getestet,sitzen alle da wo sie eigentlich vorher auch waren,nachdem ich den motor draussen hatte.
Bild

Benutzeravatar
chiana
Probe-Bayer
Beiträge: 342
Registriert: 13 Nov 2009 00:11
Postcode: 50735
Country: Germany
Euer Wunschtitel: Probine
Modell: Probe 1 GT
Erstzulassung: 01-1991
FIN: M - 1991
Wohnort: Köln

Re: zündaussetzer,und lief auf drei töppen

Beitrag von chiana » 16 Dez 2010 17:13

Es gibt da auch noch das Relais welches für die Steuerung zuständig ist. Das sitzt im Fahrerfußraum... Da ja wenn ich mich recht erinnere deine Sicherung 7 Probleme machte könnte es sein das im Relaiskasten Kontakte korrodiert sind... Prüf die doch auch mal.

Benutzeravatar
PROBETECH87
Probe-Bayer
Beiträge: 1545
Registriert: 19 Mai 2009 23:39
Postcode: 6128
Country: Germany
Euer Wunschtitel: Bemmschmierer
Modell: Probe 1 GT
Erstzulassung: 1990
FIN: L - 1990
Wohnort: halle saale

Re: zündaussetzer,und lief auf drei töppen

Beitrag von PROBETECH87 » 16 Dez 2010 17:33

chiana hat geschrieben:Sicherung 7 Probleme machte könnte es sein das im Relaiskasten Kontakte korrodiert sind
danke für den tipp,es ist zwar alles ok soweit,aber nachschauen kann ich ja mal.
sicher ist sicher.
ich werde morgen auch mal,die zündspule wechseln.einfach mal meine alte nehmen com schwarzen,die war ja sehr gut gewesen.
Bild

Benutzeravatar
PROBETECH87
Probe-Bayer
Beiträge: 1545
Registriert: 19 Mai 2009 23:39
Postcode: 6128
Country: Germany
Euer Wunschtitel: Bemmschmierer
Modell: Probe 1 GT
Erstzulassung: 1990
FIN: L - 1990
Wohnort: halle saale

Re: zündaussetzer,und lief auf drei töppen

Beitrag von PROBETECH87 » 17 Dez 2010 11:52

so der zwischenstand.
habe heute nochmal geschaut,war doch ein kleiner underdruckschlauch falsch angeschlossen :haue: :mecker:
habe ich behoben,und erneut fc speicher gelöscht,ne weile gefahren,und dann erneut ausgelesen,zeigt mir nichts mehr an das habe ich 2-3mal probiert.bleibt alles so wie vorher.das war es zum ersten.
habe dann nochmal den zv getauscht,aber vorher markiert,alles gut und schön,und zu guter letzt bin ich an die zünspule
gegangen :shock: hätte ich lieber beim erten mal richtig geschaut,innen total grün gewesen(korridiert)habe ich gleich rausgeschmissen,und ne neue rein gemacht.
was soll ich sagen er läuft total super wieder ohne mucken und ohne ruckeln.
dank euch trotzdem für die viele hilfe hier.
Bild

Benutzeravatar
Probe 1 Fan
Probe-Bayer
Beiträge: 2988
Registriert: 30 Jan 2008 15:57
Postcode: 63512
Country: Germany
Euer Wunschtitel: Nobody is Perfect
Modell: Probe 1 GT
Erstzulassung: 1993
FIN: N - 1992
Wohnort: 635 ganz nah an Unterfranken dran

Re: zündaussetzer,und lief auf drei töppen

Beitrag von Probe 1 Fan » 17 Dez 2010 13:32

Tja, Reinlichkeit ist des Funken weges ;)

Was soviel heißen soll das der Zündfunke en faule Sack ist und sich den einfachsten Weg sucht :wuhaha:
MfG. Peter

fährst Du schon oder schraubst Du noch :-)

:schrauben: :gummi:

Probe 1 - Bauj. 92 - Erstz. 93 - LPG - Autogas - 165.000 km

Benutzeravatar
PROBETECH87
Probe-Bayer
Beiträge: 1545
Registriert: 19 Mai 2009 23:39
Postcode: 6128
Country: Germany
Euer Wunschtitel: Bemmschmierer
Modell: Probe 1 GT
Erstzulassung: 1990
FIN: L - 1990
Wohnort: halle saale

Re: zündaussetzer,und lief auf drei töppen

Beitrag von PROBETECH87 » 17 Dez 2010 13:42

:wuhaha: so kann mann es nennen.
ich will oder wollte mir dann früher oder später eh ne grösere spule einbauen,welche wäre dafür am geignetesten.
habt ihr da etwaige vorschläge,bevor ich die vom th nehm :denk:
Bild

Antworten