Fahrwerk laesst sich nicht einstellen
Moderatoren: moderator1, moderator3, moderator2
-
NRWprobe
- Probe-Bayer
- Beiträge: 74
- Registriert: 31 Mär 2008 02:25
- Postcode: 46045
- Country: Germany
- Modell: Probe 1 GT
- Erstzulassung: 09.1991
Fahrwerk laesst sich nicht einstellen
Hallo alle zusammen,
ich bin gerade mit meinem Probe im Urlaub in Tunesien und habe Probleme mit dem Fahrwerk. Es laesst sich nicht einstellen, es bleibt die ganze Zeit auf Soft, wisst ihr woran es liegen koennte?
MfG
ich bin gerade mit meinem Probe im Urlaub in Tunesien und habe Probleme mit dem Fahrwerk. Es laesst sich nicht einstellen, es bleibt die ganze Zeit auf Soft, wisst ihr woran es liegen koennte?
MfG
Nich am Lack anpacken, sons kommse im Heim!!!
- Jay
- donating probe-bayer
- Beiträge: 18445
- Registriert: 22 Mai 2007 10:31
- Postcode: 87600
- Country: Germany
- Euer Wunschtitel: Exoten-Sammler
- Modell: Probe 2 GT
- Erstzulassung: 1992
- FIN: N - 1992
- Wohnort: München und Allgäu
- Kontaktdaten:
Re: Fahrwerk laesst sich nicht einstellen
Entweder Steuergerät ausgesteckt, oder aber Sand am Motor??
Surren die Motoren auf den Domen denn, wenn du den Schalter umstellst??
PS: Will Fotos vom Probe in der Wüste sehen!!!!!!!!!!!!
Surren die Motoren auf den Domen denn, wenn du den Schalter umstellst??
PS: Will Fotos vom Probe in der Wüste sehen!!!!!!!!!!!!
-
NRWprobe
- Probe-Bayer
- Beiträge: 74
- Registriert: 31 Mär 2008 02:25
- Postcode: 46045
- Country: Germany
- Modell: Probe 1 GT
- Erstzulassung: 09.1991
Re: Fahrwerk laesst sich nicht einstellen
Hab gerade unter dem Sitz nach geguckt und dort war alles in Ordnung, alle Kabel stecken. Und die Motoren auf den Domen arbeiten garnicht, weder vorne noch hinten. Gibt es vielleicht eine Sicherung die durchgebrannt sein koennte?
Oder kann man die Motoren irgentwie kurzschliessen so das die durchgehend auf Sport bleiben?
Das Schaukeln nervt richtig.
PS: Fotos werde ich die Tage rein stellen
MfG
Oder kann man die Motoren irgentwie kurzschliessen so das die durchgehend auf Sport bleiben?
Das Schaukeln nervt richtig.
PS: Fotos werde ich die Tage rein stellen
MfG
Nich am Lack anpacken, sons kommse im Heim!!!
- Probe 1 Fan
- Probe-Bayer
- Beiträge: 2988
- Registriert: 30 Jan 2008 15:57
- Postcode: 63512
- Country: Germany
- Euer Wunschtitel: Nobody is Perfect
- Modell: Probe 1 GT
- Erstzulassung: 1993
- FIN: N - 1992
- Wohnort: 635 ganz nah an Unterfranken dran
Re: Fahrwerk laesst sich nicht einstellen
Hoffe mal Das Du mit dem Schaltplan etwas anfangen kannst??
Obwohl das geschaukel zu Tunesien eigentlich passt
Obwohl das geschaukel zu Tunesien eigentlich passt
MfG. Peter
fährst Du schon oder schraubst Du noch

Probe 1 - Bauj. 92 - Erstz. 93 - LPG - Autogas - 165.000 km
fährst Du schon oder schraubst Du noch
Probe 1 - Bauj. 92 - Erstz. 93 - LPG - Autogas - 165.000 km
-
NRWprobe
- Probe-Bayer
- Beiträge: 74
- Registriert: 31 Mär 2008 02:25
- Postcode: 46045
- Country: Germany
- Modell: Probe 1 GT
- Erstzulassung: 09.1991
Re: Fahrwerk laesst sich nicht einstellen
Hi
sorry aber ich kann leider nix damit anfangen, viell. kannst du mir das erklaeren?
MfG
sorry aber ich kann leider nix damit anfangen, viell. kannst du mir das erklaeren?
MfG
Nich am Lack anpacken, sons kommse im Heim!!!
- Probe 1 Fan
- Probe-Bayer
- Beiträge: 2988
- Registriert: 30 Jan 2008 15:57
- Postcode: 63512
- Country: Germany
- Euer Wunschtitel: Nobody is Perfect
- Modell: Probe 1 GT
- Erstzulassung: 1993
- FIN: N - 1992
- Wohnort: 635 ganz nah an Unterfranken dran
Re: Fahrwerk laesst sich nicht einstellen
Also ich suche schon die ganze Zeit nach einer Sicherung, habe allerdings noch keine gefunden
Wie wäre es wenn man das eine Kabel kappt und er dann immer auf Sport steht, dafür gibt es auch noch einen Beitrag hier.
Ist halt nur die frage ob das Problem damit gelöst ist

GUGST DU
Wie wäre es wenn man das eine Kabel kappt und er dann immer auf Sport steht, dafür gibt es auch noch einen Beitrag hier.
Ist halt nur die frage ob das Problem damit gelöst ist
GUGST DU
Zuletzt geändert von Probe 1 Fan am 09 Jul 2009 17:04, insgesamt 1-mal geändert.
MfG. Peter
fährst Du schon oder schraubst Du noch

Probe 1 - Bauj. 92 - Erstz. 93 - LPG - Autogas - 165.000 km
fährst Du schon oder schraubst Du noch
Probe 1 - Bauj. 92 - Erstz. 93 - LPG - Autogas - 165.000 km
-
NRWprobe
- Probe-Bayer
- Beiträge: 74
- Registriert: 31 Mär 2008 02:25
- Postcode: 46045
- Country: Germany
- Modell: Probe 1 GT
- Erstzulassung: 09.1991
Re: Fahrwerk laesst sich nicht einstellen
Genau das meine ich, ich will es aufjedenfall versuchen, nur ich finde den Threat nicht!Wie wäre es wenn man das eine Kabel kappt und er dann immer auf Sport steht, dafür gibt es auch noch einen Beitrag hier.
Ist halt nur die frage ob das Problem damit gelöst ist![]()
MfG
Nich am Lack anpacken, sons kommse im Heim!!!
- Probe 1 Fan
- Probe-Bayer
- Beiträge: 2988
- Registriert: 30 Jan 2008 15:57
- Postcode: 63512
- Country: Germany
- Euer Wunschtitel: Nobody is Perfect
- Modell: Probe 1 GT
- Erstzulassung: 1993
- FIN: N - 1992
- Wohnort: 635 ganz nah an Unterfranken dran
Re: Fahrwerk laesst sich nicht einstellen
GUGST DUNRWprobe hat geschrieben:Genau das meine ich, ich will es aufjedenfall versuchen, nur ich finde den Threat nicht!Wie wäre es wenn man das eine Kabel kappt und er dann immer auf Sport steht, dafür gibt es auch noch einen Beitrag hier.
Ist halt nur die frage ob das Problem damit gelöst ist![]()
MfG
MfG. Peter
fährst Du schon oder schraubst Du noch

Probe 1 - Bauj. 92 - Erstz. 93 - LPG - Autogas - 165.000 km
fährst Du schon oder schraubst Du noch
Probe 1 - Bauj. 92 - Erstz. 93 - LPG - Autogas - 165.000 km
- Hosi-San
- Probe-Bayer
- Beiträge: 4704
- Registriert: 22 Mai 2007 10:33
- Postcode: 99974
- Country: Germany
- Modell: Probe 1 LX - 2,2l
- Erstzulassung: 1989
- Wohnort: Ammern
Re: Fahrwerk laesst sich nicht einstellen
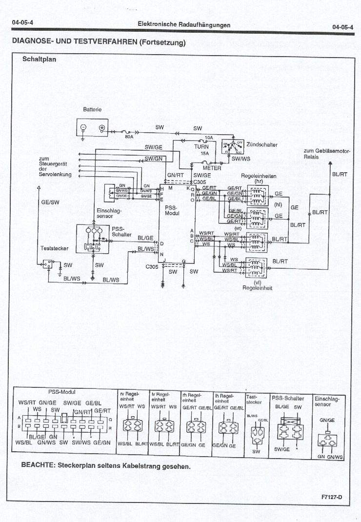
Ist in der Probe 1 Faq 2. Seite 1. Beitrag "Stoßdämpfer härter stellen"

-
NRWprobe
- Probe-Bayer
- Beiträge: 74
- Registriert: 31 Mär 2008 02:25
- Postcode: 46045
- Country: Germany
- Modell: Probe 1 GT
- Erstzulassung: 09.1991
Re: Fahrwerk laesst sich nicht einstellen
Sorry hatte den Link uebersehen, ich werde jetzt das Kabel Kappen und gucken ob es funzt.
Danke fuer die Hilfe
MfG
Danke fuer die Hilfe
MfG
Nich am Lack anpacken, sons kommse im Heim!!!
- Cane GT
- Probe-Bayer
- Beiträge: 4308
- Registriert: 28 Mär 2008 10:05
- Postcode: 55278
- Country: Germany
- Euer Wunschtitel: König oder Kaiser ;)
- Modell: Probe 1 GT
- Erstzulassung: 9/1993
- FIN: N - 1992
- Wohnort: Mommenheim (bei Mainz)
- Kontaktdaten:
Re: Fahrwerk laesst sich nicht einstellen
Naja, wenn deine Motoren aber kein Signal bekommen wird das nix bringen ! im gegenteil, so stellt er bei 80km/h nichtmal mehr auf medium um (falls er das überhaupt noch macht)!
du könntest die Dämpfer per Hand (Spitzzange) auf hart stellen, das Problem ist nur ich weiss nichtmehr in welche Richtung du drehen musst !
Wenn dus weisst dann teil die 360° in 3 Teile auf und dreh 2/3 weiter , dann sollte er auf hart stehen, zumindest vorne geht das ja sehr einfach. hinten müssteste halt die Verkleidung rausholen.
du könntest die Dämpfer per Hand (Spitzzange) auf hart stellen, das Problem ist nur ich weiss nichtmehr in welche Richtung du drehen musst !
Wenn dus weisst dann teil die 360° in 3 Teile auf und dreh 2/3 weiter , dann sollte er auf hart stehen, zumindest vorne geht das ja sehr einfach. hinten müssteste halt die Verkleidung rausholen.
Es lebe der "Hadde Kern" !!!
http://sushi.derhaddekern.de/
http://www.cardomain.com/id/CaneGT
Drifter: Ist die Straße naß, macht es doppelt Spaß.
Schwabe: ... und es koscht auch weniger. ;-)
http://sushi.derhaddekern.de/
http://www.cardomain.com/id/CaneGT
Drifter: Ist die Straße naß, macht es doppelt Spaß.
Schwabe: ... und es koscht auch weniger. ;-)
